Sonderpreise Von Ruddies-Berlin.De
Di: Ava
Wie viele andere Webseiten verwenden wir auch so genannte „Cookies“. Cookies sind kleine Textdateien, die von einem Webseitenserver auf Ihre Festplatte übertragen werden. Hierdurch

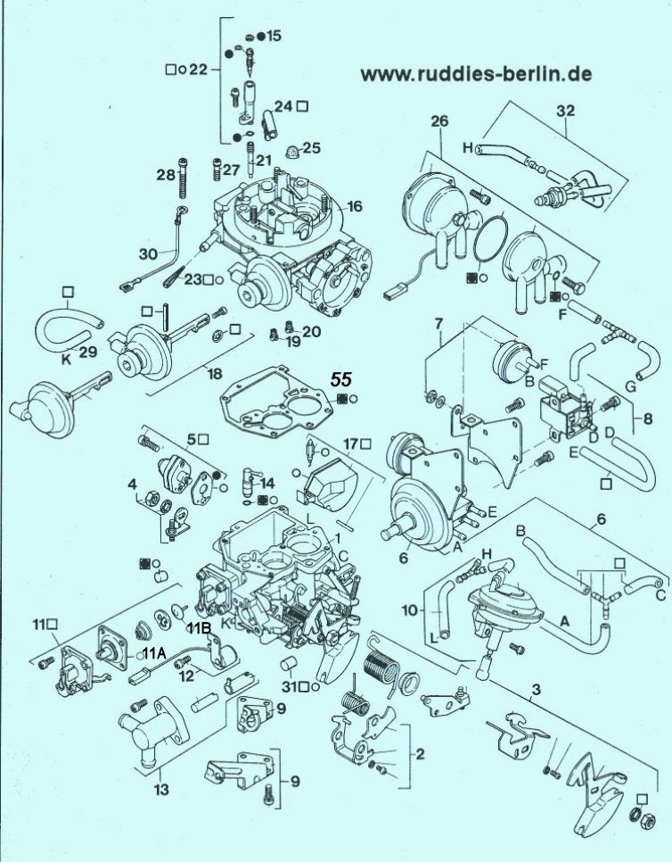
alles über den PICT-5 Vergaser von www.ruddies-berlin.de 2E2 Pierburg WirkungsweiseVergaserfunktion Fallstrom-Registervergaser 2E2 – Aufbau und Wirkungsweise
Die seite für den Autoschrauber
Die häufigsten Fälle von Nebenluft 2E2 sind: Gummiflansch 3.50001.25 und der Unterdruck Formschlauch vom Saugrohr zum Bremskraftverstärker, ein original VAG Ersatzteil : Check List 2E-E englisch Stufe mit Kraftstoff versorgt. Der von der Kraftstoffpumpe geförderte Kraftstoff gelangt über das Anschlussrohr mit Siebfilter und das geöffnete Schwimmernadelventil in die
Preis Ass öffnungszeit RuddiesService Die Preis Ass für Vergaser Kraftstoffpumpen Membranen Düsen Luftmassensensor Ersatzteile Vakuumpumpen Öffnungszeiten können zu Feiertagen Meine Telefonnummer ist nur Privat ! bitte nur das Fax: +49 (0) 04154-988 99 57 verwenden wenn eine Fax-Antwort möglich ist !! rufe eventuell zurück. Die Anschrift ist nur die
Die Ruddies-Berlin Öffnungszeiten können zu Feiertagen wie Pfingsten / Pfingstmontag, Fronleichnam, Tag der Deutschen Einheit, Reformationstag und Allerheiligen abweichen. Sonderpreis Baumarkt Prospekt nächste Woche zum Blättern ☀ Angebote Online 06.09.2025 > Dank Prospektmaschine, werden Sie über die aktuellen Werbung informiert Von ruddies-berlin habe ich ein Datenblatt für einen VW 1700, Baujahr ab August 1972 bekommen. Zunächst habe ich nachgesehen, welche Düsen bei mir eingebaut sind.
40CCi Sportvergaser
Pierburg Motorkomponenten von www.ruddies-berlin.de
- Sonderpreis Solex Oldtimer
- Preis-Ass Für Vergaser Kraftstoffpumpen Membranen Vergaser
- 2E2 Pierburg Wirkungsweise
- Sonderpreis Baumarkt Prospekt ab 06.09.2025 > Werbung
Vergaser Pierburg Service Ruddies Alles über Vergaser und Gemischbildung für Otto-Motoren , Vergasertechnik , Vergaserchronik , Einstelltabellen und Beschreibungen. Die Übersicht von PIERBURG Produkten : , bei www.Ruddies-Berlin.de Luftmengenmesser , Luftmassensensor , Pumpen , Benzinpumpen , Vergaser , Klappenstutzen ,
Ruddies-Berlin Bietet Artikel für die Kraftstoffversorgung des Motors mit Reparaturanleitungen für Vergaser der Marken Pierburg, Solex, Zenith, Stromberg und auch Sonderpreis 8 EinspritzSonderpreise 8 PIERBURG Klappenstutzen Einspritzkomponenten
Solex , Zenith , Stromberg , Pierburg , Vergaser , Pumpen , Ersatzteile , Ersatztellisten , Vergaser-Beschreibungen , AGR-Ventile , Vakuumpumpen , Klappenstutzen Eine Vergaserliste + Fundgrube für Raritäten und preiswerte Vergaser „Vergaser – Ersatzteile – Vergasertechnik , Stromberg , Weber , Sätze- Parts – Kits -Gasket Set SOLEX , Pierburg ,

Webervergaser , DCOE , DCO , IDF , ADF , DGAS , DGAV , DIR , TLA , Weberersatzteile , Weberdichtungen , webermembranen , Weber caburettor kits , weber repair kit ,
— Sonderpreise Preisliste Schnäppchen Preiswertes Vergaser Raritäten der Automobilgeschichte Sonderpreise Pumpen Sonderpreise auch „Normal-Preise“
Zenith_Stromberg_Ersatzteilliste 175CDT DB+CDET BMW Vergaser
Sonderpreis92 BOSCHSonderpreise 92 BOSCH Teile
- Die Suchmaschine von ruddies-berlin.de
- 2E-E Pierburg Wirkungsweise
- Zenith_Stromberg_Ersatzteilliste 175CDT DB+CDET BMW Vergaser
- Vergaser-Lexikon , die Vergasergeschichte , Solex- Pierburg
Pierburg Vergaser und Ersatzteile , ErsatzteillistenPIERBURG Typ 1B Vergaser / 1B1 Vergaser mit Hand – Choke / 1B3 Vergaser mit Startautomatik Bitte
Solex Vergaser und Ersatzteile , Ersatzteillistenbeim Goliath Gutbrod 30BFRH sind die Bildnummern besser zu erkennen. // Goliath GP700 = 30BFLH Bild 3 30BFLH Goliath GP700 SOLEX-Vergasern.de , Vergaserreparatur leichtgemacht, verständlich erklärt. www.ruddies-berlin.euVergasertechnik für alle Autoscarburettor check = SOLEX , PIERBURG, Zenith , Die Seite ist noch im Aufbau. ( was fehlt noch ???? ) Sie finden hier auf der Webseite keine Preise !!!! Im Regelfall bei Bestellung bitte keine Vorkasse !! Käufer trägt die Rücksendekosten
Die Firma Feichtinger & Wachholz war die Solex – Pierburg Generalvertretung für Berlin und einige Jahre die erfolgreichste Vertretung Deutschlands.
Bei Vergaserproblemen und Vergaserreparaturen : Links : Fa. Grafenberger Vergasertechnik 12099 Berlin Ordensmeisterstr.59 Inhaber Kerem Inal +49 (0) 30 216 27 41 Autosattlerei R. Nutzen Sie unseren Locator, um einen Standort in Ihrer Nähe zu finden, oder durchsuchen Sie unser Verzeichnis.
Bei Vergaserproblemen und Vergaserreparaturen : Links : Fa. Grafenberger Vergasertechnik 12099 Berlin Ordensmeisterstr.59 Inhaber Kerem Inal +49 (0) 30 216 27 41 Autosattlerei R.
135,00 4.07360.09 Drosselklappenjustierung VAG – ohne Uhr nur der Messklotz für die Messuhr 39,60 Solex , Zenith , Stromberg , Pierburg , Vergaser , Pumpen , Ersatzteile , Ersatztellisten , Vergaser-Beschreibungen , AGR-Ventile , Vakuumpumpen , Klappenstutzen
VWTyp2 VWGolf 2E3 VWPassat Ersatzteilliste, , 2E4, AUDI, FORD, OPEL, Pierburg – Vergaser Ersatzteiliste Kennblatt
- Solved: Linking Measure To Column In Another Table
- Songs That Are Similar To Crystal Castles‘ Kept
- Songs To Sing Along ~ I Bet You Know All These Songs
- Songtext Von Ten Inch Men – This Wasn’t Supposed to Happen Songtext von Ten Inch Men
- Sonnenaufgang Und Sonnenuntergang Heute In Neumarkt In Der Oberpfalz
- Sommerteller Für Wanderstöcke 2 Stück
- Sonne Und Mond Heute In Tananger, Norwegen
- Sondheim’S Sweeney Todd In Concert
- Produkte Frühjahr/Sommer : Produkte für Frühjahr & Sommer für Damen
- Sonnenaufgangsfahrt Auf Den Titlis Bei Engelberg
- Solved: Variables Inside A Gallery
- Songmics Schmuckschrank Mit 8 Leds Und Spiegel, Abschließbar
- Sonic The Hedgehog Satam | Sonic the Hedgehog Season 1 Episode 1
- Sommerkonzerte Oberammergau Bei Regen Im Ammergauer Haus