Die Hebezone Hubzylinder – Krane in verschiedenen Bauweisen
Di: Ava
Willkommen im Herzen der Hebezone: unserem Team Bei der Hebezone GmbH sind wir stolz darauf, dass unser Erfolg auf den Schultern von Menschen ruht, die sich täglich mit ihren individuellen Stärken, Werten und Überzeugungen einbringen, um nicht nur unseren Kunden, sondern auch unseren gemeinsamen Zielen gerecht zu werden. Vertrauen und Verlässlichkeit, Rollen loading Zuletzt angesehen Hebezone GmbH Moselstraße 38 63452 Hanau Email: [email protected]
Krane in verschiedenen Bauweisen

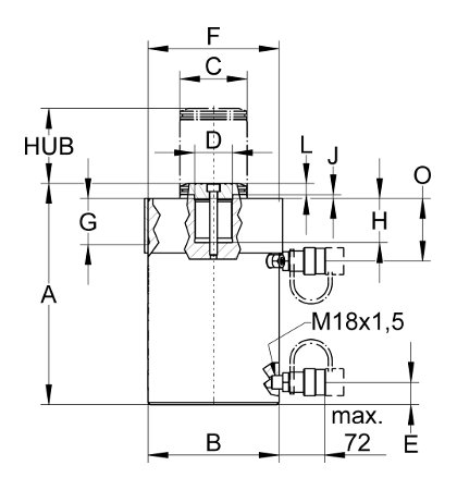
Kurzhub- und Kompaktzylinder nach DIN ISO 21287 und UNITOP überzeugen durch ihre kompakte Bauweise, hohe Leistungsdichte und normgerechte Befestigungs- und Anschlussmaße für eine einfache Integration in bestehende Konstruktionen. Besonders in automatisierten Prozessen mit begrenztem Bauraum spielen sie ihre Stärken aus: Kurzhubzylinder sind ideal
Rollen loading Zuletzt angesehen Hebezone GmbH Moselstraße 38 63452 Hanau Email: [email protected] Direkt zur Auswahl: Hochdruckpumpe Kompetente Spezialisten stehen Ihnen nicht nur für die Hochdruckpumpe zur Verfügung, sondern bieten Ihnen eine umfassende Anwendungsunterstützung in allen Bereichen, in denen Werkzeughydraulik zum Heben, Ziehen oder Pressen eingesetzt wird. Die Hochdruckpumpe von Hebezone wird unter Anwendung der
Die zum System Rollgliss 350 gehörende Hilfswinde ist direkt am Dreibein AM100 montierbar und erleichtert (bei der minimalen Untersetzung von 3:1) das Aufseilen, das auf extrem schnelle und präzise Weise erfolgt. Der Anhaltegriff ermöglicht ein vollständiges Blockierung des Seils, während die Bremshilfe ein sanftes Abseilen ermöglicht.
Werkstattkran. Weiterlesenzzgl. MwSt., Verpackung und VersandWerkstattkran – klappbar mit parallelen Beinen Typ LDFPB
- Willkommen in Ihrer beruflichen Zukunft bei Hebezone GmbH
- Hydraulic round cylinder Z100
- Kompakt- und Kurzhubzylinder
- Die Hebezone Hochdruckpumpe
Jetzt Hochwertige Hydraulikzylinder kaufen! Wir liefern Rundzylinder und Blockzylinder in einer großen Variantenvielfalt & viele andere Zylindertypen. Warenkorb Ihr Warenkorb ist noch leer. Weiter einkaufen Hebezone GmbH Moselstraße 38 63452 Hanau Email: [email protected]
Kompaktzylinder, Kurzhub-Zylinder, Flachzylinder, pneumatisch Kompaktzylinder, Kurzhub-Zylinder und Flachzylinder sind pneumatische Kolbenstangenzylinder, die ein großer Vorteil vereint: Ihre kompakte Bauweise macht die Kraftpakete auch auf engem Raum für vielfältige Anwendungen nutzbar.
Hydraulic cylinders from HEB Hydraulik Elementebau GmbH
Rundschlingen im Fokus: Typen, Eigenschaften & Einsatzgebiete Entdecken Sie im Hebezone Onlineshop unsere große Auswahl an Rundschlingen – die vielseitigen und zuverlässigen Helfer für unterschiedlichste Hebeaufgaben. Wir bieten Ihnen einen gezielten Überblick über alle Rundschlingen-Typen, ihre Besonderheiten und optimalen Einsatzbereiche.
- Willkommen bei Hebezone GmbH
- DGUV Vorschrift 54: Winden, Hub- und Zuggeräte, § 23: Prüfungen
- Kompaktzylinder, Kurzhub-Zylinder, Flachzylinder, pneumatisch
- Scherenhubtische 100% hydraulisch, robust & langlebig
Scherenhubtische als platzsparende Lastenheber in Lager und Produktion Wir bieten Ihnen eine große Palette an hydraulisch angetriebenen Scherenhubtischen (Einfachscheren oder Doppelscheren) um bestimmte Hubhöhen sowie Arbeitshöhen zu erreichen. Unsere Hubtische sind robust und langlebig konstruiert, und bieten eine hohe Tragkraft, um schwere Lasten DA zu § 23 Abs. 1 und 2: Die Prüfung erstreckt sich im wesentlichen auf die Vollständigkeit, Eignung und Wirksamkeit der Sicherheitseinrichtungen sowie auf den Zustand des Gerätes, der Tragmittel, der Rollen, der Ausrüstung und der Tragkonstruktion. Sicherheitseinrichtungen sind z. B. Rückschlagsicherungen, Rücklaufsicherungen, Bremseinrichtungen, Hilfsbremsen,
Rollen loading Zuletzt angesehen Hebezone GmbH Moselstraße 38 63452 Hanau Email: [email protected] Impressum Hebezone GmbHMoselstr. 3863452 Hanau Postadresse Postfach 185563408 Hanau Handelsregister: HRB 1011Registergericht: Amtsgericht Hanau Vertreten durch Marco EstermannRoland Meili Kontakt Telefon: +49 (0) 6181 9102-0Telefax: +49 (0) 6181 9102-77E-Mail: [email protected] Umsatzsteuer-ID Umsatzsteuer-Identifikationsnummer gemäß § 27 a
Rollen loading Zuletzt angesehen Hebezone GmbH Moselstraße 38 63452 Hanau Email: [email protected]

L. Meili & Co. AG ist seit mehr als 90 Jahren Ihr zuverlässiger Partner für hochwertige Hebezeuge, Anschlagmittel, Zurrgurte, Gehänge, Gehängezubehör, Anschlagpunkte, Greifer und Krangabeln. Bestellen Sie Jetzt online!
Rollen loading Zuletzt angesehen Hebezone GmbH Moselstraße 38 63452 Hanau Email: [email protected] Ausbildung bei Hebezone: Ihr Sprungbrett in die Berufswelt »Wir behalten von unseren Studien am Ende doch nur das, was wir praktisch anwenden.« – das wusste schon Johann Wolfgang von Goethe. Die Ausbildung bei der Hebezone verkörpert diesen Gedanken, indem sie heute die Grundlagen für eine erfolgreiche berufliche Zukunft legt. Die Mischung aus theoretischem Rollen loading Zuletzt angesehen Hebezone GmbH Moselstraße 38 63452 Hanau Email: [email protected]
Anschweißringe. Weiterlesenzzgl. MwSt., Verpackung und VersandAnschweißbügel GK10 Typ RSRL
Mit persönlicher Schutzausrüstung von Hebezone investieren Sie in optimalen Personenschutz und die Einhaltung aller gesetzlichen Vorschriften. Unser umfangreiches Sortiment bietet für jede Tätigkeit die passende Lösung – von Auffanggurten über Sicherungsseile bis zu Rettungsgeräten.
Bei der Hebezone sind wir stolz darauf, eine Arbeitsumgebung zu schaffen, die nicht nur herausfordernd und bereichernd ist, sondern auch Gelegenheit zur persönlichen und beruflichen Entwicklung bietet. Bei der Hebezone verstehen wir Qualität nicht nur als ein Merkmal unserer Produkte, sondern als ein grundlegendes Versprechen an Sie, unsere Kunden. Um dieses Versprechen zu erfüllen, haben wir ein umfassendes Qualitätsmanagementhandbuch implementiert und sind stolz darauf, nach den strengen Standards der DIN ISO 9001 zertifiziert zu sein. IMI NorgrenSehen Sie sich Ihre Kontoinformationen an, einschließlich Bestellverlauf, gespeicherte Warenkörbe und Lieferadressen.
Anschlagpunkte. WeiterlesenProfessionelle Anschlagpunkte für sicheres Heben und Transportieren In unserem Webshop finden Sie hochwertige Anschlagpunkte in geprüfter Qualität – perfekt geeignet für anspruchsvolle Hebeaufgaben im Industrie-, Bau- und Maschinenbereich. Egal ob Anschweißbügel, Ringschraube, Transportöse oder auch Transportbügel – wir bieten Unterstellböcke Kraftmessdosen Maschinenheber Hydraulikzylinder Hydraulikheber Flanschspreizer Werkstattpressen
Zubehör. WeiterlesenSie sind bereits Kunde: Bei erstmaligem Loginkönnen Sie Ihre Kundennummer als vorläufiges Passwort verwenden.
Flachzylinder – langlebig und robust! Hochwertige Materialien, sehr flache Bauweise für besonders niedrige Einbauhöhen. Besuchen Sie unseren Onlineshop!
Rollen loading Zuletzt angesehen Hebezone GmbH Moselstraße 38 63452 Hanau Email: [email protected]
Rollen loading Zuletzt angesehen Hebezone GmbH Moselstraße 38 63452 Hanau Email: [email protected] Rollen loading Zuletzt angesehen Hebezone GmbH Moselstraße 38 63452 Hanau Email: [email protected] Rollen loading Zuletzt angesehen Hebezone GmbH Moselstraße 38 63452 Hanau Email: [email protected]
Unterstellböcke Kraftmessdosen Maschinenheber Hydraulikzylinder Hydraulikheber Flanschspreizer Werkstattpressen Die Serie CVQ benötigt nur drei statt wie bisher sieben Leitungsanschlüsse, weil die Leitungen zwischen Zylinder und Ventil entfallen. Dadurch reduzieren sich sowohl Druckabfall und Luftverbrauch als auch die Ansprechzeit im Vergleich zu den bisherigen getrennten Konfigurationen aus Zylinder und Ventil.
Jetzt Hochwertige Hydraulikzylinder kaufen! Wir liefern Rundzylinder und Blockzylinder in einer großen Variantenvielfalt & viele andere Zylindertypen.
- Die Marktkirche In Gefahr: Clausthal-Zellerfeld
- Die Höchste Eisenbahn „Isi“ – ISI ACORDES por Die Höchste Eisenbahn @ Ultimate-Guitar.Com
- Die Erste Diät, Die Dirk Bach Wirklich Spaß Macht!
- Die Entfernung Zwischen Kraichtal, Germany Und Belize
- Die Fledermaus 1962 En Español
- Die Höchste Christusstatue Der Welt Steht In Brasilien
- Die Kleinen Kreativen – Hannover: Was tun bei Einsamkeit?
- Die Geissens: So Wurden Sie Wirklich Zu Millionären
- Die Macht Des Gewissens: Von Sokrates Bis Sophie Scholl
- Die Große Reportage Nicht Ohne Meinen Zwilling
- Die Großen Frauen Der Weimarer Republik : Erlebnisse Im Berliner Frühling
- Die Kläranlage Borken Muss Aufrüsten
- Die Freien Brauer: Einsatz Für Die Bierkultur