Dibujo Técnico Mecánico _ Símbolos en dibujo mecánico de acotación
Di: Ava
Presentación El dibujo técnico es el medio de comunicación que empleamos los técnicos de la industria en el documento “planos de un proyecto” y la normalización es el lenguaje empleado. Por esta razón, en este libro tratamos de definir los conceptos y términos usados por los técnicos, basándonos en los principios y técnicas de representación, la normalización (documentos Aplicación de dibujo técnico online. CAD-HI. Aplicación online gratuita para la realización de planos, bocetos y croquis de forma rápida. Proporciona información interactiva durante el trazado de cada elemento, con el fin de facilitar el dibujo. Una línea se traza con un click para el primer punto y otro click para el punto del segundo extremo. Si queremos hacer un polígono, en lugar Programa CAD online gratuito, para dibujo técnico 2D
NORMAS ISO, ASCI Y NOM QUE APLICAN AL DIBUJO MECÁNICO
En el presente proyecto se pretende dar a conocer la representación de planos de despiece de conjuntos mecánicos esto permitirá comprender qué es un dibujo mecánico, pero para ello debemos considerar cada término que se tiene en dibujo mecánico. Un dibujo es un trazo o una delineación que permite representar una figura. Lo mecánico, por su parte, puede vincularse a

Dibujo mecánico: El dibujo mecánico se emplea en la representación de piezas o partes de máquinas, maquinarias, vehículos como ggrúas y motos, aviones, Dibujo técnico mecánico o industrial Se emplea para realizar planos que representen piezas de máquinas, vehículos -como motos, aviones, grúas o helicópteros- y máquinas industriales.
¿Estudias dibujo tecnico ECCU-201 en Servicio Nacional de Adiestramiento en Trabajo Industrial? En Studocu encontrarás 326 apuntes, 326 práctica, 159 informe y mucho El dibujo mecánico industrial es una disciplina fundamental para cualquier ingeniero, técnico o profesional relacionado con la fabricación, diseño y construcción. Es la base para la comunicación precisa de ideas y especificaciones en el ámbito industrial, permitiendo la creación de piezas y sistemas complejos con exactitud y eficiencia. Este artículo se centra en
PRESENT ACION El presente trabajo reúne las recomendaciones técnicas sobre dibujo mecánico, hechas al nivel de la ISO (International Organization for Standardization) y de otros organismos de normalización, tanto nacionales como internacionales. Esquema: finalmente en dibujo técnico se utiliza un esquema para representar de manera convencional las cosas inmateriales o las relaciones que hay en la misma. Por ejemplo se pueden representar de manera simbólica todos los elementos de una máquina o como se lleva a cabo su instalación, mostrándose pieza por pieza. Dibujo técnico mecánico: se usa para la realización de partes de automóviles, aviones o maquinaria industrial. Dibujo técnico geológico: empleado en geología y geografía para representar capas de la tierra, montañas, carreteras y otras formaciones que tengan inclinaciones o
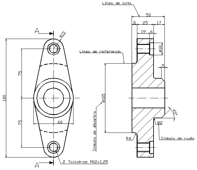
El dibujo mecánico se basa en la precisión y la claridad. Para lograr esto, se utiliza una simbología específica que permite transmitir información concisa y eficiente. Una parte fundamental de esta simbología se encuentra en la acotación, donde los símbolos complementarios juegan un papel crucial para simplificar la representación y evitar
- CÓDIGO DE DIBUJO MECÁNICO
- Dibujo mecánico: métrica y escalas en el diseño
- Clasificación del dibujo mecánico » Mecanicos Valencia
Permiten garantizar la calidad del producto, lo utiliza personal que no es del departamento de diseño y está familiarizado con los principios de diseño o debe tener conocimiento del proceso de fabricación y de los métodos de ensamble.
Diseño y Desarrollo de Máquinas
El documento es un fascículo de aprendizaje sobre dibujo técnico mecánico nivel 6 autorizado por el Servicio Nacional de Adiestramiento en Trabajo Industrial de Perú. El documento está dirigido a técnicos de nivel medio en la especialidad de diseño de máquinas y ha sido aprobado por el gerente técnico del SENATI en abril de 2006. „El dibujo técnico que presenta este texto se establece bajo las normas, estándares y sistemas recomendados por la American National Standards Las características esenciales del dibujo mecánico, incluyendo vistas ortogonales, escalas, cotas, líneas, simbología y software CAD. Información completa para principiantes y profesionales.
Para cada objeto fabricado existen dibujos que describen, com pleta y exactamente, su conformaciónfísica,comunicandolasideasdeldibu jantealoperario.Porestarazón sedicequeeldibujoesellenguajedelaindustri a. El dibujo mecánico es una disciplina fascinante que combina arte y precisión técnica para representar objetos y sistemas de ingeniería con gran detalle. En este artículo, exploraremos juntos la historia y características fundamentales de esta técnica que ha sido esencial en el desarrollo de la industria y la ingeniería moderna. ¡Prepárate para adentrarte en
Aprende sobre la clasificación del dibujo mecánico, sus tipos (proyección ortogonal, axonométrica, perspectiva), normas ISO y aplicaciones.
- CPE INEN 003: Código de dibujo técnico, mecánico
- Manual de Dibujo Técnico de Mecánica Automotriz pdf.
- Descargar Libros De Dibujo Técnico En PDF
- Tipos De Dibujo Mecánico • TIPOSDE
- Técnico en Dibujo Mecánico
Como ejemplo de aplicación, se presenta un dibujo seccionado de unan válvula de seguridad, en el cuál, aparece representado en corte un resorte helicoidal cilíndrico de compresión.
Símbolos en dibujo mecánico de acotación
El Técnico en Dibujo Mecánico del SENA está diseñado para proporcionar a los aprendices habilidades prácticas y teóricas esenciales en el ámbito del dibujo Alcanza conocimientos básicos del dibujo técnico, y la aplicación y correcto uso de materiales e instrumentos en el Dibujo técnico mediante la aplicación de ejercicios. Tipos de dibujo técnico Con el desarrollo industrial y los avances tecnológicos el dibujo ha aumentado su campo de acción, los principales son: dibujo arquitectónico, mecánico, eléctrico, geológico, topográfico, urbanístico, técnico de las instalaciones sanitarias, técnico electrónico, de construcciones metálicas y el técnico
BLOQUE I: APLICACIONES DEL DIBUJO TÉCNICO EN LA MECÁNICA Un dibujo es un trazo o una delineación que permite representar una figura. Lo mecánico, por su parte, puede vincularse a una máquina, un dispositivo o un mecanismo. Dibujo técnico claro de un perno mecánico. Además, las anotaciones y etiquetas deben tener un tamaño y estilo de fuente legibles, evitando cualquier superposición con líneas u otros textos. Profundizar en uso de las herramientas para crear y/o editar planos de dibujo, incorporando secciones, cortes, tolerancias geométricas, tolerancias de forma y simbología según norma.
Dibujo técnico en mecánica automotriz. El dibujo mecánico se utiliza en la representación de piezas o partes de máquinas, vehículos de maquinaria como grúas y motocicletas, aviones, helicópteros y máquinas industriales. Los planos que representan un mecanismo simple o una máquina formada por un conjunto de piezas. se llaman planes de Dibujo Técnico: ¿Importancia en el Diseño Mecánico? Especialmente en el Área Mecánica, el Dibujo Técnico es un lenguaje gráfico especializado e indispensable. Es un sistema estandarizado utilizado para concebir, diseñar y analizar componentes y sistemas mecánicos. El dibujo mecánico es un tipo de dibujo técnico utilizado para la elaboración de planos tanto de máquinas, como de sus respectivas piezas. Básicamente, se trata de una especie de mapa que tiene como objetivo mostrar la representación exacta de un material, con todas las medidas pertinentes, para su futura creación o ensamble.
Tema 1: Definición. El dibujo técnico es un sistema de representación gráfico de diversos tipos de objetos. Dibujo técnico: (ISO 10209-1) 2.11 Información técnica recogida sobre un soporte adecuado, representada gráficamente de acuerdo con las normas y generalmente a escala La asignatura Dibujo Técnico I forma parte del componente propedéutico, correspondiente a la fase Físico-Matemáticas del currículo del bachillerato UAS2009, ubicada en el quinto semestre, con una duración semestral de 48 horas lectivas, a razón de 3 horas semanales. El dibujo técnico mecánico es una herramienta fundamental en la ingeniería y el diseño industrial. Su precisión y capacidad para representar objetos tridimensionales en dos dimensiones lo convierten en un lenguaje universal para la comunicación de ideas y la fabricación de piezas. Este artículo explora los fundamentos del dibujo técnico mecánico, incluyendo sus
NORMAS DE DIBUJO MECÁNICO
- Diablo 2: Resurrected Pc Nl Softcore D2R 3X Terror, Hate, Destruction Keys
- Dict.Cc Wörterbuch :: Dial Back :: Englisch-Deutsch-Übersetzung
- Dictionaries Of The Scots Language:: Snd :: Dreich
- Diclofenac-Ratiopharm Schmerzpflaster 140Mg 10 Stück N2
- Did William Shakespeare Live In The Victorian Times?
- Die 10 Besten Beispiele Und Ideen Für Den Einsatz Von Nft
- Diamond Painting Dekokranz Eule Jetzt Bei Weltbild.De Bestellen
- Dickschädels Reisen Von Florian Sedmak
- Dictator: Roman Von Robert Harris Bei Lovelybooks
- Dibujos De Banderas De Colombia Para Colorear, Pintar E Imprimir
- Dictionary : Subtility – Meaning of "subtility" in the English dictionary